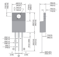
MBR10200P-TO220F

MBR10200P-TO220F

产品介绍1: ● The plastic package carries Underwriters Laboratory Flammability Classification 94V-0 ● For through hole applications ● Metal silicon junction,majority carrier conduction ● Low power loss,high efficiency ● Current 10 Ampere Vr 205 Volts

[产品详情]

[/产品详情]

[产品特色]


[/产品特色]

[下载链接]

MBR10200P-TO220F.pdf

[/下载链接]